480V 三相電力是一種基礎電力分配系統,應用於需要高功率、高效率與可靠性的商業及工業設施。透過在三相間提供平衡交流電壓,能支援重型馬達負載、暖通空調系統、照明網絡及大型設備。了解其運作、配置、保護方法及安全要求,是安全安裝與可靠性能的必要條件。

什麼是480V三相電源?
480V 三相電力是一種電力分配系統,透過三種交流電壓波形供電,每個波形間距 120 度。系統標稱線對線電壓為480伏特,提供連續且平衡的電力傳輸。
在此配置下,能量透過三條導體傳輸,使每個交流週期中電力流動一致。480V 三相電源被歸類為高壓三相電源,常用於重型電力系統及大功率負載。
480V 三相系統的運作方式
480伏特三相系統利用三個大小相等且相距120電度的正弦交流電壓提供電力。由於每個相位在不同時間達到峰值,功率傳輸為連續而非脈動式。在交流週期的每一刻,至少有一個相位提供顯著電壓,產生穩定的能量流動。在馬達驅動系統中,三相電流產生旋轉磁場,產生均勻的扭矩與穩定的軸旋轉,且不會出現單相系統中出現的扭矩下降。
平衡系統中的總實功率計算方式為:
P = √3 × V × I × PF
其中:
• V = 線對線電壓(480V)
• I = 線路電流
• PF = 功率因數
√3 因子是來自三相系統中線路電壓與相電流之間的向量關係。在480V運作下,與低壓系統相比,能以更低電流進行更高的功率傳輸,減少導體加熱、壓降及配電損耗。
三角型與懷型配置
480V 三相系統通常採用兩種主要配線配置:三角(Δ)與 Y(Y)。每種配置都會改變線路與個別繞組間電壓與電流的關係,且每種負載都能承受不同類型的負載。
三線三角(Δ)

在三角組態中,三個繞組端對端相連成一個閉合迴路,形成三角形。三角形的每個角落都變成一條線連接。
關鍵關係:
• VLL = Vph
• ILL = √3 × Iph
• 無中性導體
• 通常用於以馬達為主或重工業負載
由於沒有中性點,只能使用線對線電壓。在480V三角洲系統中,所有連接設備皆以480V運作。這使得三角洲適合大型馬達、泵浦、壓縮機及其他平衡三相機械。
高段三角配置(提供較高電壓與中性線的額外相位)在480V較少見,較常見於240V配電系統中。
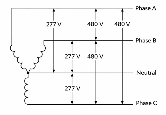
四線三角線(Y)

在 W 型配置中,三個繞組的一端分別連接到一個稱為中性線的公共點。相反的兩端連接到三線導體。
關鍵關係:
• 線對線電壓:480V
• 線路對中性線電壓:277V
• VLL = √3 × Vph
• ILL = Iph
由於有中性線可用,480Y/277V 系統可以同時供應:
• 480V三相電源,用於馬達及工業設備
• 照明系統用277V單相電源
這種彈性使得四線 Wye 配置在大型商業建築、醫院及辦公場所中相當常見,因為重型設備與大型照明系統共用同一服務。
480伏特系統中的接地與故障保護
480伏特三相系統的接地是為了人員安全、設備保護及可靠的故障偵測。系統中性線接地的方式直接影響故障電流水平、保護裝置反應及電弧閃光風險。
穩固接地的三角線
在堅固接地的懷氏系統中,中性點直接與接地接地,沒有刻意阻抗。
主要特徵:
• 中性線直接接地
• 高接地故障電流
• 快斷路器或熔斷器操作
由於故障電流較高,過電流保護裝置會快速跳脫。這種快速的清理能減少設備損害,並縮短危險故障狀況的持續時間。實心接地在商用 480Y/277V 系統中很常見,因為需要快速隔離故障。
電阻接地系統
在電阻接地系統中,中性線透過中性線接地電阻(NGR)接地。
主要特徵:
• 中性線透過電阻連接
• 故意限制接地故障電流
• 降低電弧閃光能量
透過限制接地故障電流,系統可降低設備壓力並降低電弧閃光的嚴重程度。此方法廣泛應用於工業廠房,維護系統穩定性及減少故障損害是優先事項。
無接地系統
無接地系統不會有意地連接中性線與接地線。
主要特徵:
• 無直接接地參考
• 首次接地故障期間持續運作
• 需要持續監控
若發生單一接地故障,系統仍可繼續運作,因為故障電流非常低。然而,系統必須使用地面偵測設備來通知維修人員。另一相的第二次故障可能造成嚴重的相對相短路。
故障電流與保護要求
480V系統可能存在非常高的可用故障電流,尤其是在大型變壓器或公用事業供電設施中。因此:
• 設備必須符合適當的短路電流額定(SCCR)要求
• 保護裝置協調必須確保選擇性跳脫
• 電弧閃光分析是判定入射能量能級的必要條件
480V 線路顏色代碼

| 指揮 | 標準色彩 |
|---|---|
| L1(階段A) | 布朗 |
| L2(B階段) | 橘色 |
| L3(C階段) | 黃色 |
| 中立 | 格雷 |
| 接地(設備接地導線) | 綠色或裸銅 |
在480V三相系統中正確辨識線材顏色,能提升電氣安全性、減少安裝錯誤、確保相位旋轉正確,並簡化維修或故障診斷時的故障排除。
480伏特三相系統的應用
• 工業馬達 – 用於製造設備、壓縮機及加工機械,需高扭力與持續運轉。
• 冷水機組與大型暖通空調系統 – 中央冷卻系統、空氣處理機組及大型屋頂機組依賴480V電源以穩定且高效運作。
• 輸送帶與泵浦系統 – 常見於水處理廠、倉庫及生產線,對馬達性能的穩定至關重要。
• 277V照明系統 – 在480Y/277V懷錶配置中,商業照明常用相性至中性線電壓(277V)以降低電流與布線成本。
208V 與 480V 與 600V 系統比較
| 特色 | 208V 系統 | 480V 系統 | 600V 系統 |
|---|---|---|---|
| 典型用途 | 商業辦公室、小型零售、輕工業 | 重工業設施、大型暖通空調、馬達負載 | 加拿大重工業、礦業、大型製造業 |
| 線對中性線電壓 | 120V | 277V | 347V |
| 馬達電壓額定 | 208–230V | 460V | 575V |
| 電力容量 | 中等 | 高 | 非常高 |
| 導體尺寸(相同功率下) | 最大(最高電流) | 較小 | 最小 |
| I²R 損失 | 最高 | 下方 | 最低 |
| 典型變壓器尺寸範圍 | 15–300 kVA | 75–2500+ kVA | 300–5000+ kVA |
| 常見斷路器評分 | 100–400A | 225–2000A | 400–3000A |
| 典型建築類型 | 學校、辦公室、公寓 | 醫院、製造廠、資料中心 | 加拿大大型工業廠房 |
| 可用故障電流 | 中等 | 高 | 非常高 |
為什麼馬達在480V系統中額定為460V(460V)
雖然標稱配電電壓為480V,但馬達通常額定為460V。
此額定值考慮了因導體阻抗、變壓器負載及系統正常變化所引起的預期電壓降。在滿載時,馬達端子測得的電壓通常低於變壓器的次級電壓。
設計460V馬達能確保在480V系統正常±5%電壓容忍範圍內的可靠運作。
480V 三相系統電氣安全
480V 系統存在顯著的震擊與電弧閃光危險。在此電壓水準下,大型設施的可用故障電流可超過25,000至65,000安培,電弧閃光入射能量可超過8至40卡路里/平方公分,視清除時間及系統配置而定。入射能量超過1.2卡路里/平方公尺就足以造成二度燒傷。
基於此風險,遵守NFPA 70E(職場電氣安全標準)要求:
• 電弧閃光風險評估以確定事故能量與防護邊界
• 根據計算出的每平方公分熱量,選擇合適的個人防護裝備(PPE)
• 清楚標示的開關設備與配電盤
• 設立有限及受限接近邊界
• 接觸前確認電壓缺失測試
鎖定/標記(LOTO)程序是強制性的,以防止意外的重新通電。完整的LOTO流程包括:
• 識別所有電力及儲存能源來源
• 對隔離裝置施加鎖具與標籤
• 釋放儲存的機械或電能(彈簧、電容器、旋轉零件)
• 使用適當額定的測試儀器進行相對相及相對地電壓驗證
嚴格遵守電弧閃光分析與LOTO規範,大幅降低傷害風險,並確保480V安裝符合法規要求。
480V 三相系統安裝與調試
• 相位旋轉驗證 – 確認正確的相位序列(A-B-C),確保馬達朝預定方向旋轉並防止機械損壞。
• 電壓不平衡測量 – 測量相與相的電壓差;不平衡通常應維持在可接受範圍內(通常低於1–2%)。
• 熱點熱成像 – 在導致故障前,識別鬆脫的連接、過載導體或高阻接頭。
• 負載平衡 – 確保三相電流均勻分布,以減少中性電流與過熱。
• 相位損失保護測試 – 驗證保護繼電器或監控裝置在相位喪失時是否能正常回應。
即使是微小的電壓不平衡也會顯著縮短馬達壽命。僅僅幾個百分點的電壓失衡就可能導致更大的電流失衡,導致過熱、絕緣破壞及效率下降。徹底的調試檢查有助於維持長期可靠性與系統效能。
馬達電壓與配置問題故障排除
當480V三相系統出現馬達性能問題時,故障排除應從直接的電氣驗證開始,而非對馬達損壞或控制失效的假設。電壓測量與配置檢查通常能迅速揭示根本原因。
故障排除步驟
• 測量馬達端子的相對相電壓以確認供電水平是否正確。
• 檢查相間電壓不平衡;過度失衡會增加熱量。
• 在馬達控制中心(MCC)檢查電壓,以消除上游供電問題。
• 確認過電流保護裝置的尺寸依馬達的滿載電流額定值而定。
• 檢查端子連接,確保三角形或三角線配置正確,符合預期電壓。
結論
設計妥善的480V三相系統,能提供高效的電力傳輸、穩定的馬達運轉,以及可擴展的容量,以應對嚴苛的環境。從三角線與三角線配置到接地方法、保護協調與弧光閃光安全,每個元件對可靠性都至關重要。仔細安裝、調試與故障排除,確保系統長期效能,同時維持電氣安全與法規遵循。
常見問題 [FAQ]
480V 三相電力與單相電力有何不同?
480伏特三相電力透過三條相角相距120°的導體傳遞能量,實現連續電力傳輸。單相系統使用單一交替波形,產生脈動功率。三相系統提供更高效率、更平順的馬達運作、相同功率下的較低電流,以及更低導體損耗,非常適合大型商業及工業負載。
480V 三相系統在給定負載下消耗多少電流?
電流取決於總功率和功率因數。對於平衡系統,公式為:I = P / (√3 × V × PF)。電壓越高,電流越低,功率相同。較低的電流減少導體加熱(I²R損耗)、電壓降及所需線徑,進而提升系統效率與安裝成本效益。
480V 三相電力能否轉換為較低電壓?
是的。降壓變壓器常用於將480V轉換為208V、240V或120V,適用於較小負載。在480Y/277V系統中,277V已透過相位與中性線連接提供照明。適當的變壓器尺寸與保護協調對於維持短路額定值及防止過載情況非常重要。
480伏特三相系統中電壓失衡的原因是什麼?
電壓不平衡可能由單相負載不均、接線鬆動、導體損壞、變壓器問題或電力供應變化所造成。即使是微小的不平衡(1–2%)也可能造成馬達電流嚴重失衡,導致過熱、絕緣壓力及設備壽命縮短。定期進行相電壓監控有助於防止過早故障。
在480V設備上工作所需的最低個人防護裝備(PPE)是什麼?
PPE 需求取決於計算出的弧閃入射能量。根據NFPA 70E指引,防護可能包括防電弧衣物、絕緣手套、面罩及防電壓工具。正式的弧光閃光研究會根據可用的故障電流和清除時間,決定所需的保護等級。聯絡前務必確認電壓缺失,並遵守鎖定/標記(LOTO)程序。